全国服务热线

15895320987
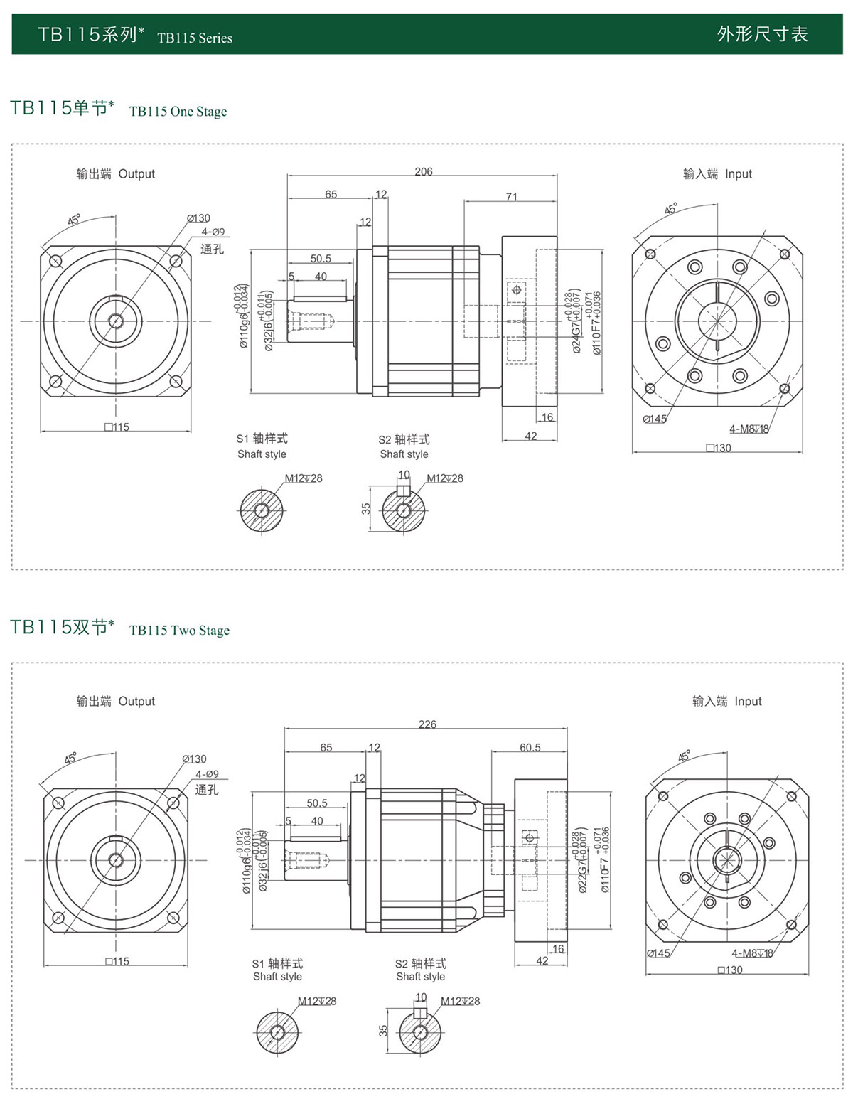
产品名称:精密行星减速机
产品系列:TB系列
性能特征 Performance Characteristic
●输出端尺寸 Output Size:42-220mm,285mm,355mm
●速比 Speed Ratio:3/4/5/6/7/8/10,15-200
●最小背隙 Minimum Back Clearance:
单节(One Stage) ≤1弧分(Arcminute)双节(Two Stage) ≤3弧分(Arcminute)
性能资料 Performance Data
采用了标准化的法兰界面,安装便捷安全,由于抗倾斜力矩很高,这款高精度行星减速机可以完成许多高难度任务。
The TB series reducer adopts a standardized flange interface, The installation is convenientand quick. Due to its integral structure design, this high-precision model can operateexcellently in many demanding working application.













