全国服务热线

15895320987
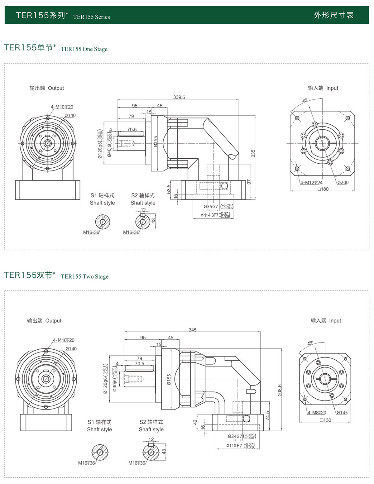
产品名称:精密行星减速机
产品系列:TER系列
性能特征 Performance Characteristic
●输出端尺寸 Output size:50-235mm
●速比 Speed ratio: 3/4/5/6/7/8/10,15-200
●最小背隙 Minimum back clearance:
单节(One Stage)≤2弧分(Arcminute)双节(Two Stage) ≤4弧分(Arcminute)
性能资料 Performance Data
此款行星减速机集创新、高效和品质于一身,无论转矩、同步性还是运行噪音等,达到效率最大化。
TER series planetary reducer combines innovation, efficiency and quality, maximizingcustomer value and performance.







