全国服务热线

15895320987
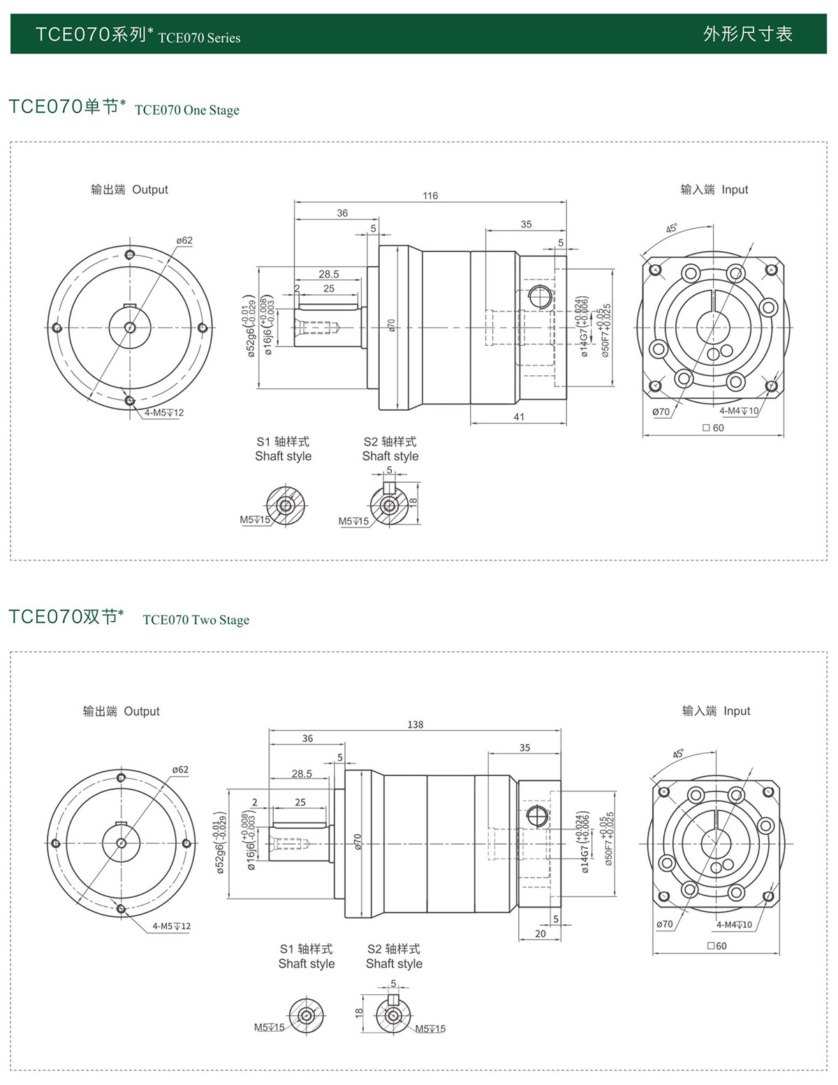
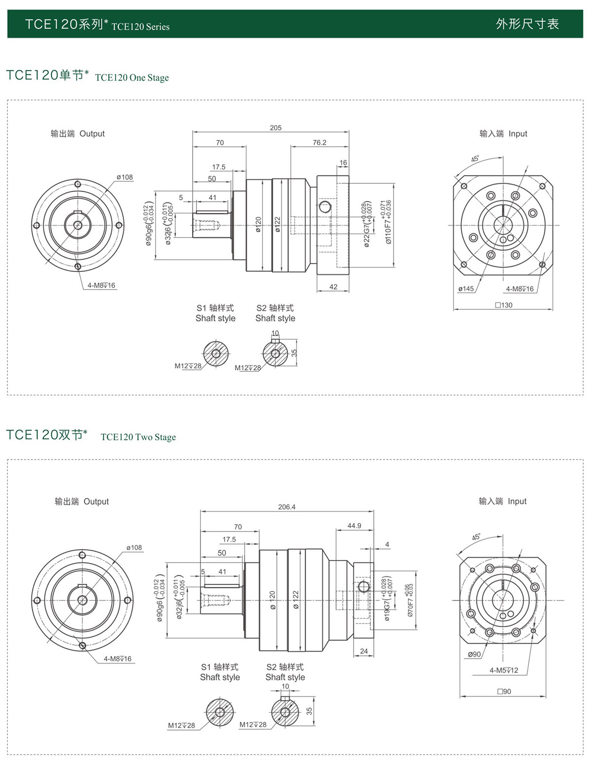
产品名称:精密行星减速机
产品系列:TCE系列
性能特征 Performance Characteristic
●输出端尺寸 Output size:70-155mm
●速比 Speed ratio:3/4/5/6/718/10,15-100
●最小背隙 Minimum back clearance:
单节(One Stage) ≤1弧分(Arcminute)双节(Two Stage)≤3弧分(Arcminute)
性能资料 Performance Data
TCE系列减速机产品结构紧凑,安装空间小,驱动扭矩大,经济实用,稳定高效,可支持非标定制。
TCE series planetary reducer backlash is low and its transmission capacity is strong, theinput end can be matched with servo, stepping and any other motors.







