全国服务热线

15895320987
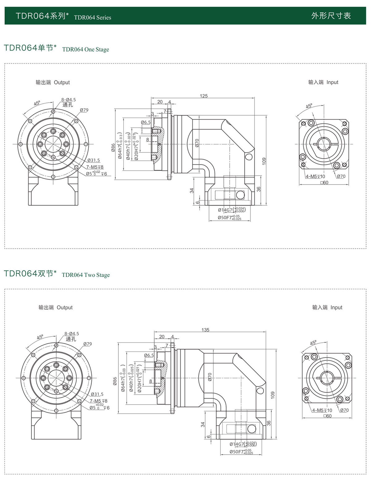
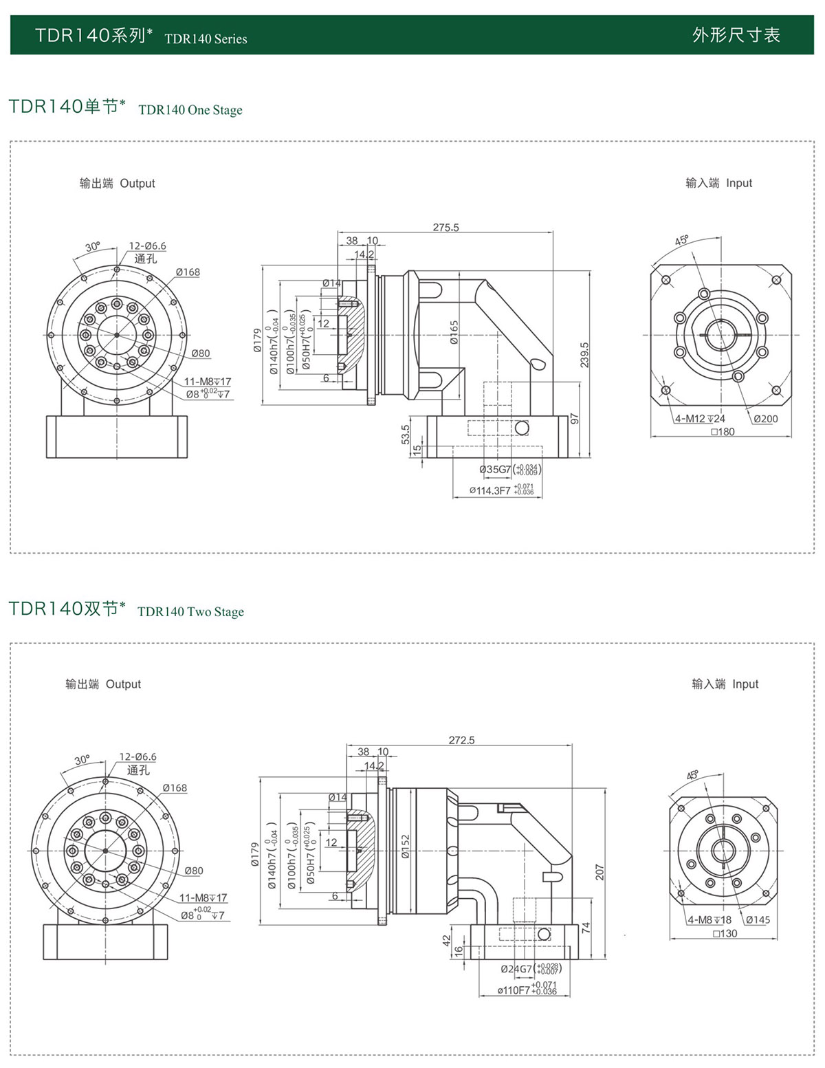
产品名称:精密行星减速机
产品系列:TDR系列
性能特征 Performance Characteristic
●输出端尺寸 Output size:47-255mm,355mm
●速比 Speed ratio:4/5/7/10,20-200
●最小背隙 Minimum back clearance:
单节(One Stage)≤2弧分(Arcminute)双节(Two Stage) ≤4弧分(Arcminute)
性能资料 Performance Data
此款行星减速机在技术方面为您提供创新和先进的解决方案,该产品在各个功能领域都成绩非凡。
TDRseries planetary reducer offers you innovative and advanced solutions in terms oftechnology, which has achieved outstanding results in any flange-driven applications.







