全国服务热线

15895320987
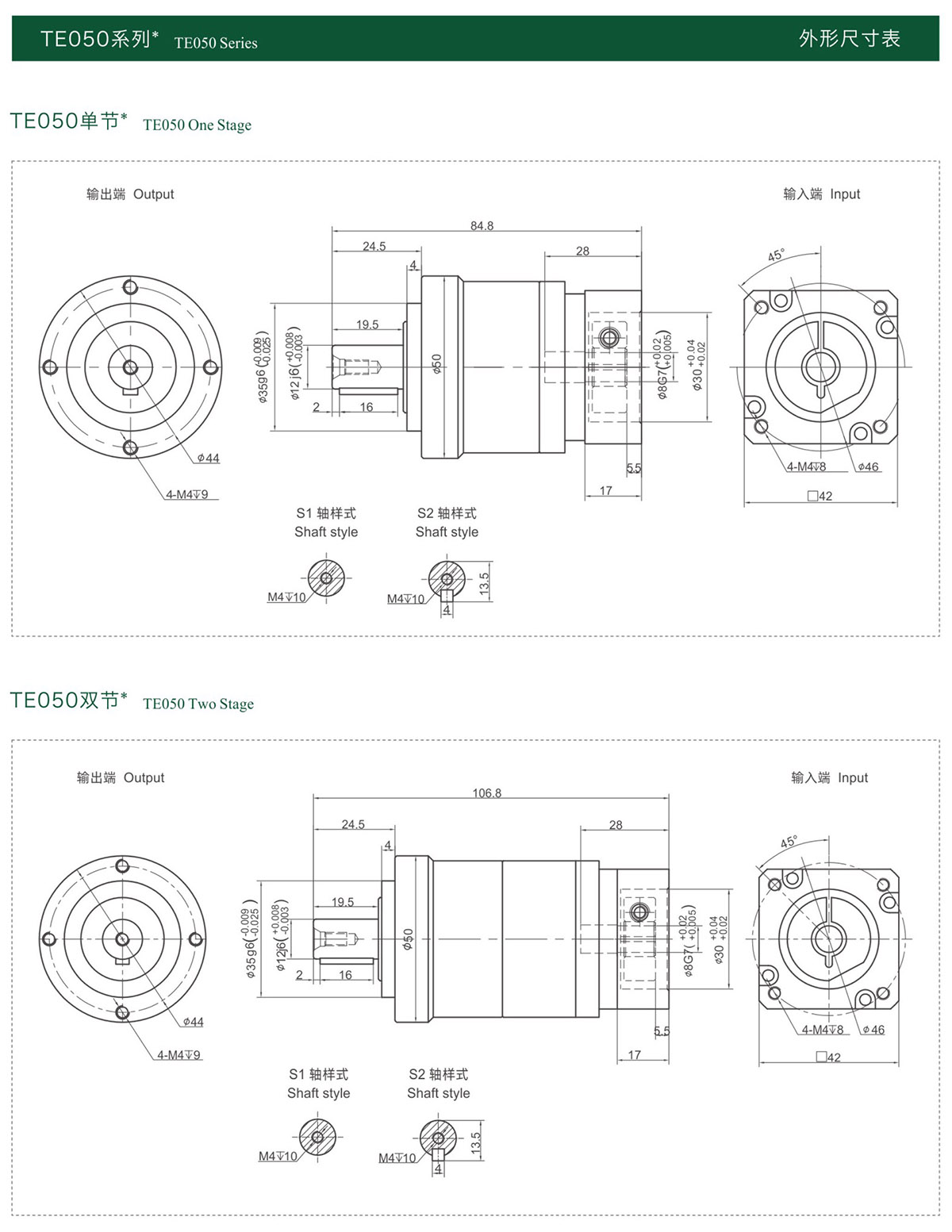
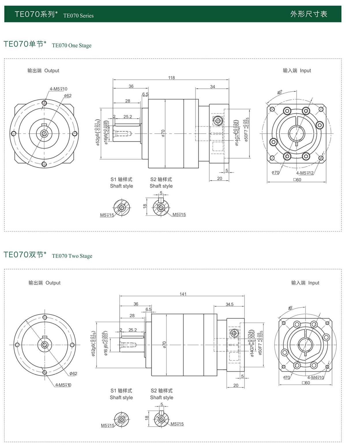
产品名称:精密行星减速机
产品系列:TE系列
性能特征 Performance Characteristic
●输出端尺寸 Output size:50-235mm
●速比 Speed ratio:3/4/5/6/7/8/10,15-200
●最小背隙 Minimum back clearance:
单节(One Stage)≤1弧分(Arcminute)双节(Two Stage) ≤3弧分(Arcminute)
性能资料 Performance Data
TE系列减速机凭借标准化的法兰接口,该行星减速机的安装极其简便,在性能上有所提升,它经济实用,而且产生的热量极少。
TE series offer additional installation flexibility in addition to TB series but with zerocompromise in performance. It is with high precision and robust design.













